Recent

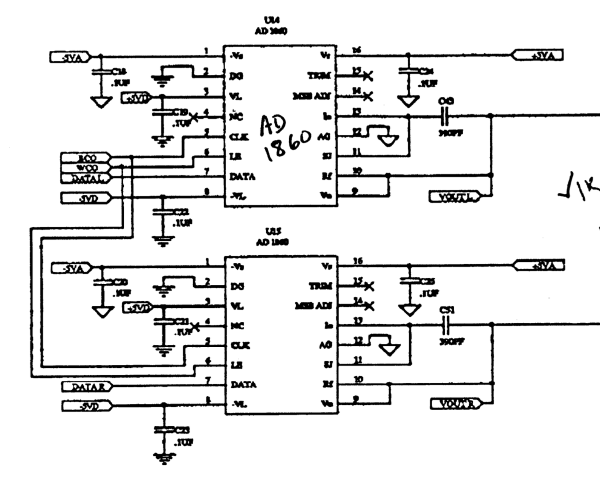
DAC SPI: Wiring of AD1860
·703 words·4 mins·
loading
·
loading
The AD1860 DAC IC is correctly wired and produces a valid analog output. A reference schematic from the early 1990s is used to identify non-critical components, and a full-scale sawtooth waveform (±3 V) is generated on one channel using an Arduino. The hardware setup functions as expected; the remaining task is implementing a correct SPI interface capable of handling 18-bit transfers.

DAC SPI: How to Make a Positive/Negative Power Supply
·978 words·5 mins·
loading
·
loading
Several methods for generating ±5 V rails were evaluated, ranging from dual wall warts to regulator-based and buck-boost solutions, with stability, noise, and grounding complexity as the main trade-offs. The most practical approach for the DAC setup proved to be regulator-based supplies, while more complex configurations offered little benefit and higher power consumption.

EEPROM Programmer: Supported Chips
·1869 words·9 mins·
loading
·
loading
An Arduino-based EEPROM Programmer supporting AT28C devices is evaluated, highlighting wiring, performance, and hardware constraints. Advanced features like RDY/BUSY polling and page-write mode enable major speedups on DUE but are not viable on MEGA.

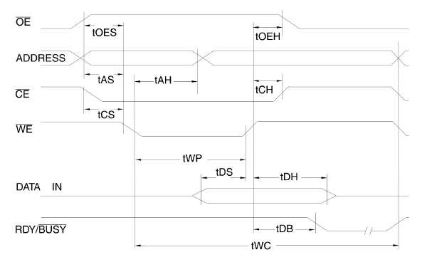
EEPROM Programmer: AT28C256's Page Write Operation
·1276 words·6 mins·
loading
·
loading
Page-write support in the AT28C256 can significantly speed up programming, but it depends on tight timing. The Arduino Mega is too slow to use this feature reliably, while faster platforms like the Arduino Due make it practical and stable.

EEPROM Programmer: Using Data Polling vs RDY/!BUSY Pin for Write Operations
·900 words·5 mins·
loading
·
loading
Both DATA and RDY/!BUSY polling methods cut EEPROM write wait time by roughly threefold compared to fixed delays. They deliver similar performance and are simple to implement on Arduino. The limiting factor is the Arduino’s processing speed, not the AT28Cxx IC.

